
| 產品分類 Product categories |
空氣鋼球振動器 |
||
性能介紹:
殼體由防銹鋁制成,內置經過硬化的鋼制滾道,鋼球可以在其上滾動。
殼體兩端置有尼龍端蓋,用來定位鋼球,同時防止灰塵和水的進入,因此可使本機工作于多塵潮濕的環境中。進、出氣口均有標準管螺紋,使排氣可由管路引出,確保排氣無障。為適應不同安裝位置,本機上有4個安裝孔:兩個水平,兩個垂直。
應用:
K系列整體尺寸小,振動頻率可以通過調節空氣流量進行調整。這種振動器多用于:
![]() |
|
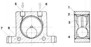
1 |
擠壓鋁合金殼體 |
5 |
進氣口 |
|
|
2 |
淬硬合金鋼滾道 |
6 |
排氣口 |
|
|
3 |
尼龍端蓋 |
7 |
底座安裝孔 |
|
|
4 |
表面硬化球體 |
8 |
側安裝孔 |
性能參數表
|
型號
|
頻率 V.P.M |
測得的離心力 |
空氣消耗/分鐘 |
||||||||||||
|
2Bar 29PSI |
4Bar 58PSI |
6Bar 87PSI |
2Bar=29PSI |
4Bar=58PSI |
6Bar=87PSI |
2Bar=29PSI |
4Bar=58PSI |
6Bar=87PSI |
|||||||
|
N |
LBS |
N |
LBS |
N |
LBS |
Ltr. |
CF |
Ltr. |
CF |
Ltr |
CF |
||||
|
K-8 |
25.500 |
31.000 |
35.000 |
130 |
29 |
260 |
58 |
360 |
81 |
83 |
2.9 |
145 |
5.1 |
195 |
6.9 |
|
K10 |
22.500 |
28.000 |
34.000 |
250 |
56 |
470 |
106 |
710 |
160 |
92 |
3.2 |
150 |
5.3 |
200 |
7.1 |
|
K-13 |
15.000 |
18.500 |
22.500 |
320 |
72 |
550 |
124 |
870 |
196 |
94 |
3.3 |
158 |
5.6 |
225 |
7.9 |
|
K-16 |
13.000 |
17.000 |
19.500 |
450 |
101 |
800 |
180 |
1,100 |
248 |
122 |
4.3 |
200 |
7.1 |
280 |
9.9 |
|
K-20 |
10.500 |
14.500 |
16.500 |
720 |
162 |
1,220 |
275 |
1,720 |
387 |
130 |
4.6 |
230 |
8.1 |
340 |
12.0 |
|
K-25 |
9.200 |
12.200 |
14.000 |
930 |
209 |
1,570 |
353 |
2,050 |
461 |
160 |
5.6 |
290 |
10.2 |
425 |
15.0 |
|
K-30 |
7.800 |
9.700 |
12.500 |
1,510 |
340 |
2,470 |
556 |
3,210 |
722 |
215 |
7.6 |
375 |
13.2 |
570 |
20.0 |
|
K-36
|
7.300 |
9.000 |
10.000 |
2,060 |
464 |
3,150 |
709 |
4,050 |
911 |
260 |
9.2 |
475 |
16.8 |
675 |
24.0 |

本表數據在重型實驗臺上取自Kistler 3軸測力計。
當安裝剛性差時頻率和力值會減小。
本公司保留在不事先通知的情況下修改或撤消任何指標或產品的權利,并且不因此而承擔任何責任。
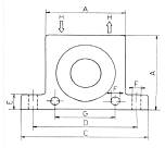
尺寸表
|
型號 |
A |
厚度 |
C |
D |
E |
F |
G* |
H* |
重量 |
||||||||
|
mm |
inch |
mm |
inch |
mm |
inch |
mm |
inch |
mm |
inch |
mm |
inch |
mm |
inch |
英國標準管螺紋 |
kg |
Lbs |
|
|
K-8 |
50 |
1.79 |
20 |
0.79 |
86 |
3.38 |
68 |
2.68 |
12 |
0.47 |
7 |
0.27 |
40 |
1.57 |
1/4” |
.130 |
.29 |
|
K-10 |
|||||||||||||||||
|
K-13 |
65 |
2.56 |
24 |
0.94 |
113 |
4.45 |
90 |
3.45 |
16 |
0.63 |
9 |
0.35 |
50 |
1.97 |
1/4” |
.260 |
.570 |
|
K-16 |
27 |
1.06 |
.300 |
.66 |
|||||||||||||
|
K-20 |
80 |
3.16 |
33 |
1.30 |
128 |
5.04 |
104 |
4.09 |
16 |
0.63 |
9 |
0.35 |
60 |
2.36 |
1/4” |
.530 |
1.17 |
|
K-25 |
38 |
1.50 |
.630 |
1.39 |
|||||||||||||
|
K-30 |
100 |
3.94 |
44 |
1.73 |
160 |
6.30 |
130 |
5.12 |
20 |
0.79 |
11 |
0.43 |
80 |
3.15 |
3/8” |
1.130 |
2.49 |
|
K-36 |
50 |
1.97 |
1.340 |
2.95 |
|||||||||||||
| |
|